低温真空脱水干化成套技术装备在中小型城镇污水厂污泥脱水干化中的应用
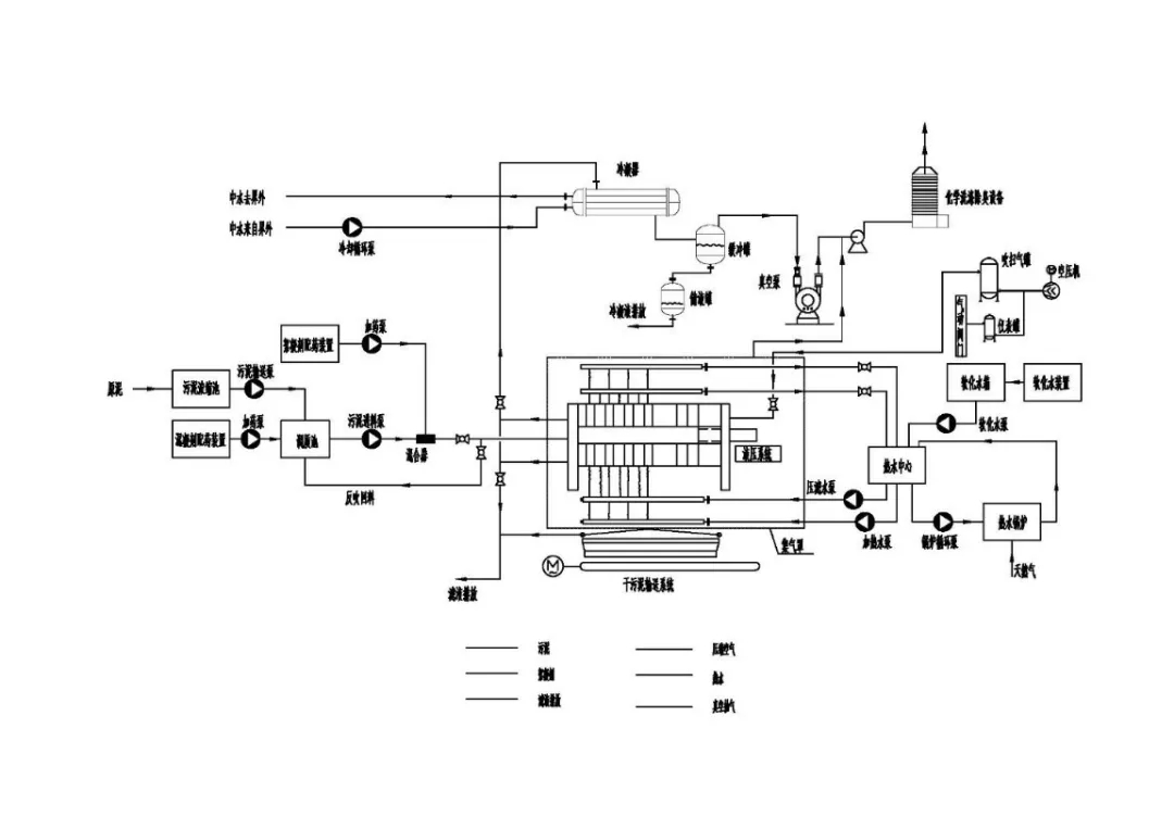
01中小型污水厂污泥处理处置特点 1.1 污水处理规模有限,污泥产量小 中小型污水处理厂污水处理规模一般都在10万m3/d以下,对于一些县域污水处理厂污水处理规模多在1~6万m3/d左右,按照市政污泥产率经验值3‰~5‰(含水率96%计),其污泥产生规模在10~60 t/d(含水率80%),污泥日产量相对较小。 1.2 污泥处理处置整体规划滞后 污泥处理和污泥处置是相互影响、相互制约、密不可分的两个环节,需要统筹考虑。从规划层面,应当先确定处置方向,再反过来影响到污泥的处理工艺选择。而目前很多中小型城镇污水处理厂存在污泥处理手段单一落后,污泥处置目标方向不清等问题,污泥处理处置的整体规划滞后。 1.3 污泥处理处置资金投入不足 由于污水处理领域长期以来“重水轻泥”,对污泥作为污水处理重要产物的污染危害认识不足,相对大型污水厂而言,中小型污水厂的污泥处理处置资金投入相对更低,污泥处理处置设施的运行费用也未能和污水处理费用同步落实,严重制约了污泥无害化目标的完成进度。 因此,有必要从国家战略高度和长远角度看待和解决包括中小型污水厂在内的污泥处理处置困局。一方面应加强整体规划和资金投入,另一方面应针对中小型污水厂的特点,因地制宜地选取适当的污泥处理处置工艺路线,做到投入和运行成本适中、运行管理简便、以及污泥处置出路的近远期兼顾。近年来,在国家战略的引领下,一些中小型城镇污水厂在污泥处理处置环节进行了有益的实践,取得了较好的成效。 02低温真空脱水干化技术装备在中小型污水厂的应用实例 2.1 应用项目概况 泾县象山污水处理厂位于安徽省宣城市泾县县城内,污水处理设计总规模为4万m3/d,污水采用改良型卡鲁赛尔氧化沟污水处理工艺,尾水达标排放后,经幕溪河进入青弋江;污泥处理系统在改造前经机械浓缩脱水后运至填埋场填埋处理。由于原有的机械脱水工艺脱水后的污泥含水率较高、体量较大、承载力较小,造成了污泥转运及填埋作业困难。为满足卫生填埋、建材利用等后续污泥的多元化处置的含水率要求,该厂规划新建了剩余污泥处理处置改造工程项目。项目规划污泥处理能力为30t/d(以含水率80%计),设计两条污泥脱水干化生产线,单条生产线成产规模15 t/d(以含水率80%计),要求处理后污泥含水率≤40%,并可在30%~60%灵活调整。 2.2污泥脱水干化工艺路线的选择 本项目建设单位为典型的中小型城镇污水处理厂,厂区规模较小,新建项目用地紧张,运营维护力量有限,项目投资及运营经费压力较大,同时为满足最新的环保要求及厂内对污泥的最终处置规划,对处理后污泥含水率提出了兼顾近远期目标的要求。按照高效、集约、智能、经济、安全的原则,经多方比选,本项目最终选用上海复洁环保科技股份有限公司自主研发的低温真空脱水干化成套技术装备(发明专利号:ZL201210045436.3)对污泥进行脱水干化处理。该技术装备将污泥的脱水与干化工序合成一体,在同一设备上连续完成,实现了脱水干化一体化,可一次性将污泥含水率从90%~99%降至20%以下,并可在10%~60%之间调节,已广泛应用于市政、化工、汽车、电子制造等行业的污泥脱水干化。 2.3 污泥脱水干化的工艺流程 污水厂内污泥通过污泥泵房将剩余污泥输送至新建重力浓缩池,将污泥含水率浓缩至97%~98%,浓缩后污泥通过螺杆泵进入调质池,污泥经浓缩调质后进入低温真空脱水干化技术装备的主机系统内,通过进料过滤、隔膜压滤、吹气穿流、真空干化等工序,实现污泥的脱水干化一体化处理,处理后的污泥含水率≤40%,并可在30%~60%调整。工艺流程如图1所示。 图1 污泥低温真空脱水干化工艺流程图 2.4 主要系统设计概况 (1)污泥前处理系统 污泥前处理系统包括污泥浓缩和污泥调质两部分,其中污泥浓缩池2座,采用重力浓缩;污泥调质池2座,浓缩池和调质池一一对应。污泥调质采用混凝剂(可选)和聚丙烯酰胺等联合调质,均采用在线投加方式,其中混凝剂投加在调质池中混合,聚丙烯酰胺在进料管道采用管道混合器与污泥混合。 (2)污泥脱水干化主机系统 污泥脱水干化主机共2台,单台生产规模15 t/d(以含水量80%计),过滤面积300m2,每台设备每天运行4个批次,每批次运行时间约4.5~5.0 h。 图2 污泥低温真空脱水干化主机系统 (3)污泥压榨、干化循环水系统 污泥压榨、干化循环水系统主要在压榨和干化阶段提供压榨水和加热水,主要由压榨泵、加热泵、水箱、管路系统等组成,其中压榨泵2台,采用多级立式离心泵,每台干化主机对应一台,设计压力1.0 MPa。干化过程采用85℃左右热水对泥饼进行加热,共设加热泵2台,每台干化主机对应一台加热泵。两台脱水干化主机共用一个水箱,水箱容积21 m3。 (4)真空系统 真空系统利用真空泵的抽真空作用,在系统主机内部创造负压环境,以降低水的沸点,使泥饼内水分在低温状态下汽化抽出。系统主要包括真空泵、冷凝器、缓冲罐、冷凝水储罐、管道等设备,其中设真空泵2台,抽气量Q=25m3/min,真空度15 kPa;设计冷凝器2台,换热面积95 m2。脱水干化主机、冷凝器、真空泵一一对应。 (5)锅炉系统 系统热源采用常压燃气热水锅炉提供,供水温度85~90 ℃。锅炉最大天然气通量为100 Nm3/h,供气压力6~8 KPa,共两台,单台发热量 Q=1674.4 MJ/h,锅炉配备1套水质稳定系统。 (6)污泥卸料系统 每台脱水干化主机设一个水平螺旋输送机,两台主机共用一个倾斜螺旋输送机,水平和倾斜螺旋输送机的污泥输送能力均为8 t/h。 (7)除臭系统 污泥在脱水干化过程会产生恶臭气体,为改善车间空气质量,对脱水干化主机进行了加罩密闭,罩体采用不锈钢骨架加钢化玻璃形式,将罩内气体收集后,与真空泵抽出的不凝气一起输送至末端除臭设备中进行处理。臭气处理总规模20 000 m3/h,采用化学洗涤处理工艺,处理后臭气满足GB 14554—1993《恶臭污染物排放标准》废气排放二级标准。 2.5系统技术优势 (1)污泥脱水干化一体化 该工艺实现了污泥脱水干化一体化,智能化程度高,占地面积小,不仅减少了污泥在脱水设备与干化设备之间的贮存与运输带来的投资与运行成本,而且最大限度地降低了污泥脱水干化过程的环境污染和安全风险,尤其适用于对占地面积、投资运行成本等限制较严的中小型污水处理厂。 (2)出泥含水率可调,满足不同污泥处置途径要求 项目经调试及试运行表明,污泥含水率可稳定降至40%以下,相比改造前,在污水厂内最大限度地实现了污泥减量化,同时该系统还可对污泥含水率在30%~60%之间实现灵活调节,可实现近远期不同污泥处置途径的多元化对接,为中小型污水处理厂因地制宜地选择最终污泥处置方式提供了更多元更灵活的选择。 (3)污泥干化的安全性高 本工艺的污泥脱水、干化在同一设备内完成,过程全封闭负压运行,脱水干化温度较低,运行过程不存在污泥与设备的相对运动或搅动,无磨损隐患,气态污染物及粉尘的产生量小,无爆炸风险,安全性高。 03结论与展望 安徽某中小型城镇污水处理厂通过选用低温真空脱水干化一体化技术装备对污泥进行脱水干化处理,能在污水厂内将污泥含水率从98%左右直接降至40%以下,实现了脱水干化一体化和污泥减量化,系统自动化程度高,运行管理简便,投资及运行成本适中,安全性好,同时污泥含水率在30%~60%之间可调,完全满足污水厂近远期污泥处置途径的多元化对接需求。实践证明,该技术装备在中小型城镇污水处理厂的污泥脱水干化领域具有良好的应用前景,能够对污泥无害化目标的达成发挥重要的基础性作用。




